TELEGÄRTNER J00029A2000 AMJ-S Modul Cat.6A ISO
TELEGÄRTNER J00029A2000 AMJ-S Modul Cat.6A ISO
Artikel-Nummer: 22404329
Beschreibung
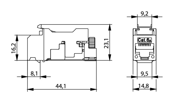
Das vollgeschirmte AMJ-S Modul für 10 Gigabit Ethernet setzt auf den übertragungstechnischen Vorzügen der millionenfach bewährten Anschlusstechnik von Telegärtner auf und bietet Verkabelungsprofis ungeahnte Möglichkeiten bei ihren täglichen Verkabelungsaufgaben. Herausragende Merkmale des neuen AMJ-S Moduls ist seine schlanke Bauform im Keystone-Format (19,3 x 14,7 mm) mit Zinkdruckguss-Gehäuse sowie dem bewährten Telegärtner-Kontaktüberbiegeschutz. In Kombination mit der integrierten feinstufigen Kabelabfangung und dem 360° Schirmanschluss ist das AMJ-S Modul ein echter Zeitsparer bei der Montage. Die IDC-Schneidklemme im neuen AMJ-S Modul garantiert zuverlässige Kontaktierungen bei Massiv-Draht und Litzenleitern. Eine weitere Besonderheit des AMJ-S Moduls ist seine Designfähigkeit: Das AMJ-S Modul kann problemlos mit Abdeckungen der Schalterprogramme aller namhaften Hersteller kombiniert werden.Leistungsmerkmale:Cat.6A (ISO/IEC) gemäß IEC 60603-7-51,Cat.6A (ISO/IEC) re-embedded getestet gemäß IEC 60512-27-100,Linkzertifizierung: Klasse EA (ISO/IEC) gemäß ISO/IEC 11801,10 Gigabit-Ethernet konform (IEEE 802.3an),Kontakt-Überbiegeschutz: ≥750 Steckzyklen mit RJ45/RJ11/RJ12-Steckern,geeignet für PoE+ gemäß IEEE 802.3at,mit designfähiger Modul-Aufnahme AMJ-S Up/0 flex kombinierbar mit Abdeckungen diverser Schalterprogramm-Hersteller,integrierte Kabelabfangung für Kabeldurchmesser bis 9 mm,Universelles, weltweit verfügbares Einbaumaß für Montageausschnitte 19,3 x 14,7 mm,Optisch überwachte Prüfung der RJ45-Kontakthöhen,AMJ-S DD: mit integriertem Schutz vor Beschädigung der Kontakte durch automatisches Lösen der SteckverbindungAnmerkungen: werkzeuglose Anschlusstechnik, geeignet für RJ45/11/12-SteckerKurzbezeichnung: AMJ-S Modul Cat.6A (ISO/IEC) T568AEinbaumaß: Z121
| Hersteller / Marke | TELEGÄRTNER |
| Artikel-Nummer | 22404329 |
| TELEGÄRTNER-Type | J00029A2000 |
| EAN | 4018359399504 |
| TELEGÄRTNER Artikel-Nummer | J00029A2000 |
| Mindestbestellmenge | 2 ST |
| Losgröße / Menge pro Verpackung | 2 ST |
| Verpackungseinheit | 12 |
| Verpackungseinheit | 684 |
| Gewicht | 0,37 |
| Statistische Warennummer | 85366990 |
| Farbe | Silber |
| Ausführung | Buchse (Jack) |
| Geschirmt | ja |
| Kategorie | 6A (IEC) |
| Geeignet für Litzenleiter | ja |
| Geeignet für Massivleiter | ja |
| Steckverbindertyp | RJ45 8(8) |
| AWG-Bereich | 26 - 22 |
Alle Funktionen und technischen Daten können ohne Ankündigung geändert werden, Lieferung vorbehaltlich Verfügbarkeit,Korrektur von Irrtümern und Auslassungen vorbehalten.










